News
Copper Cable Terminals Non-Isolated NCL2023-02-27
They are made of higher 99.9 percents pure copper tube T2 and coated with tin. Their working temperature -55℃-150℃.
Specifications
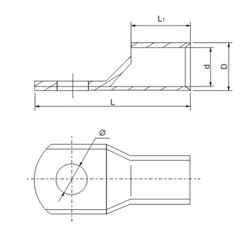
Dimensions(mm)
Code No.
D
d
L
L1
NCL-25
9.5
7.2
Φ8.2
36
12
OMU-NCL-001
NCL-35
11
8.2
Φ8.2
42
14
OMU-NCL-002
NCL-50
12.5
9.5
Φ10.5
49
16
OMU-NCL-003
NCL-70
14.5
11.3
Φ10.5
55
20
OMU-NCL-004
NCL-95
17
13.4
Φ12.5
60
22
OMU-NCL-005
NCL-120
20.5
15.7
Φ12.5
67
23
OMU-NCL-006
NCL-150
22.5
17.1
Φ12.5
73
26
OMU-NCL-007
NCL-185
24
18.4
Φ16.5
78
32
OMU-NCL-008
NCL-240
28
21.4
Φ16.5
92
38
OMU-NCL-009
NCL-300
31
23.8
Φ16.5
102
42
OMU-NCL-010
NCL-400
34.5
27.6
Φ16.5
113
44
OMU-NCL-011
NCL-500
39
30.6
Φ16.5
123
48
OMU-NCL-012
