News
Al Cable Terminals Non-Isolated DL2023-02-08
|
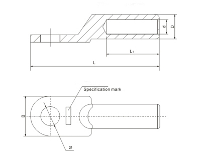
Specifications |
Dimensions(mm) |
Code No. |
||||
|
φ |
D |
d |
L |
L1 |
||
|
DL-10 |
8.5 |
9 |
6 |
68 |
28 |
OMU-DL-001 |
|
DL-16 |
8.5 |
10 |
6 |
70 |
30 |
OMU-DL-002 |
|
DL-25 |
8.5 |
12 |
7 |
75 |
34 |
OMU-DL-003 |
|
DL-35 |
10.5 |
14 |
8.5 |
85 |
38 |
OMU-DL-004 |
|
DL-50 |
10.5 |
16 |
9.8 |
90 |
40 |
OMU-DL-004 |
|
DL-70 |
12.5 |
18 |
11.5 |
102 |
48 |
OMU-DL-006 |
|
DL-95 |
12.5 |
21 |
13.5 |
112 |
51 |
OMU-DL-007 |
|
DL-120 |
14.5 |
23 |
15 |
120 |
53 |
OMU-DL-008 |
|
DL-150 |
14.5 |
25 |
16.5 |
126 |
56 |
OMU-DL-009 |
|
DL-185 |
16.5 |
27 |
18.5 |
133 |
58 |
OMU-DL-010 |
|
DL-240 |
16.5 |
30 |
21 |
140 |
60 |
OMU-DL-011 |
|
DL-300 |
21 |
34 |
24 |
160 |
65 |
OMU-DL-012 |
|
DL-400 |
21 |
38 |
26 |
170 |
70 |
OMU-DL-013 |
|
DL-500 |
21 |
47 |
29 |
190 |
75 |
OMU-DL-014 |
|
DL-630 |
21 |
54 |
35 |
220 |
85 |
OMU-DL-015 |
|
DL-800 |
21 |
60 |
38 |
250 |
100 |
OMU-DL-016 |
