PRODUCT DISPLAY
Dampers FR
- Product parameters
- Return
|
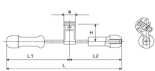
Type |
Conductor(mm) |
Dimension (mm) |
|||
|
L1 |
L2 |
H |
a |
||
|
FR-1 |
7.0-12.0 |
239 |
190 |
80 |
50 |
|
FR-2 |
11.0-22.0 |
239 |
190 |
80 |
50 |
|
FR-3 |
18.0-28.0 |
280 |
225 |
90 |
60 |
|
FR-4 |
23.0-36.0 |
300 |
250 |
97 |
60 |
Message Feedback



