PRODUCT DISPLAY
Dampers FDZ
- Product parameters
- Return
|
Type |
Conductor(mm²) |
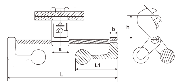
Dimension (mm) |
Steel wire size |
||||
|
a |
b |
h |
L1 |
L |
|||
|
FDZ-1 |
35-50 |
50 |
33 |
51 |
120 |
320 |
19/1.8 |
|
FDZ-2 |
70-95 |
50 |
33 |
51 |
130 |
360 |
19/1.8 |
|
FDZ-3 |
120-150 |
55 |
42 |
62 |
150 |
450 |
19/2.2 |
|
FDZ-4 |
185-240 |
60 |
52 |
64 |
160 |
500 |
19/2.2 |
|
FDZ-5 |
300-400 |
60 |
60 |
87 |
180 |
550 |
19/2.6 |
|
FDZ-6 |
500-630 |
60 |
60 |
87 |
182 |
550 |
19/2.6 |
Message Feedback



