PRODUCT DISPLAY
Aluminum Clamp JB
- Product parameters
- Return
Structure Feature:
1.Body is made of high corrosion resistant aluminium alloy.
2.Overtorque breaking shear head allowing a good clamping torque.
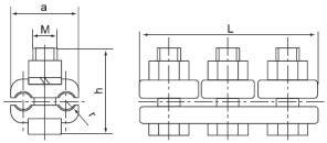
|
Type |
Conductor Cross-section(mm²) |
Bolt |
|
JB-0 |
16-25 |
2*M10*45 |
|
JB-1 |
35-50 |
2*M12*45 |
|
JB-2 |
70-95 |
3*M12*45 |
|
JB-3 |
120-150 |
3*M16*65 |
|
JB-4 |
185-240 |
3*M16*70 |
Message Feedback



